4006-999-014

车用熔断器EVH 70VDC 60-500A

基本介绍:

EVH 熔断器用于电动汽车 48V 直流电池包中, 对电池系统的过载和短路起保护作用。


一、 产品指标


二、 产品标准


三、 认证及环保



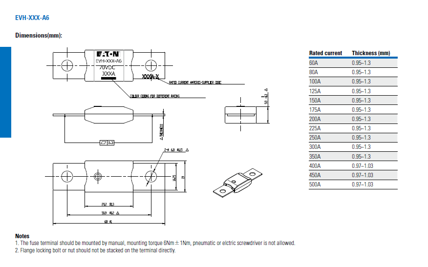
产品名称:车用熔断器EVH 70VDC 60-500A


常用型号:

产品料号

额定电流

(A)

额定电压

(V)

最大电压降

(mV)

线径

(mm2)

I2t(A2s)

EVH-60

60

70

TBD

6

TBD

EVH-80

80

70

TBD

10

TBD

EVH-100

100

70

TBD

10

TBD

EVH-125

125

70

TBD

16

TBD

EVH-150

150

70

TBD

25

TBD

EVH-175

175

70

TBD

25

TBD

EVH-200

200

70

TBD

35

TBD

EVH-225

225

70

TBD

35

TBD

EVH-250

250

70

TBD

50

TBD

EVH-300

300

70

TBD

50

TBD

EVH-400

400

70

80

70

510,000

EVH-450

450

70

80

70

705,000

EVH-500

500

70

80

70

1,575,000


基本介绍:

EVH 熔断器用于电动汽车 48V 直流电池包中, 对电池系统的过载和短路起保护作用。


一、 产品指标

• 额定电压: 70 VDC

• 额定电流: 60A-500A

• 最大开断能力: 6kA(时间常数 2±0.5ms)


二、 产品标准

• 符合企业标准 CXC-FLSTD-002

• 参照 ISO 20934:2018(E) -draft


三、 认证及环保

• RoHS

参数1.jpg

参数2.jpg


联系我们

青岛创锐电气有限公司(总部)
QDCR ELECTRIC CO.,LTD

总部地址:青岛市市南区山东路40号广发金融大厦1102B

物流中心:青岛市北区南昌支路1号华清工业园1-3

电       话:+86-532-80904500(30线)

传       真:+86-532-80904511

邮       箱 : info@cr-electric.com

网       址 : www.creacl.com www.cr-electric.com